This 13.5kw air-cooled MTC spindle motor is designed for high-load and long-time CNC machining applications.
Equipped with an independent cooling fan, it delivers superior heat dissipation compared with conventional air-cooled spindles, ensuring stable performance, longer service life, and reduced maintenance.
With high speed, strong torque, and ER40 collet system, this spindle is ideal for woodworking, aluminum processing, engraving, and industrial CNC routers.
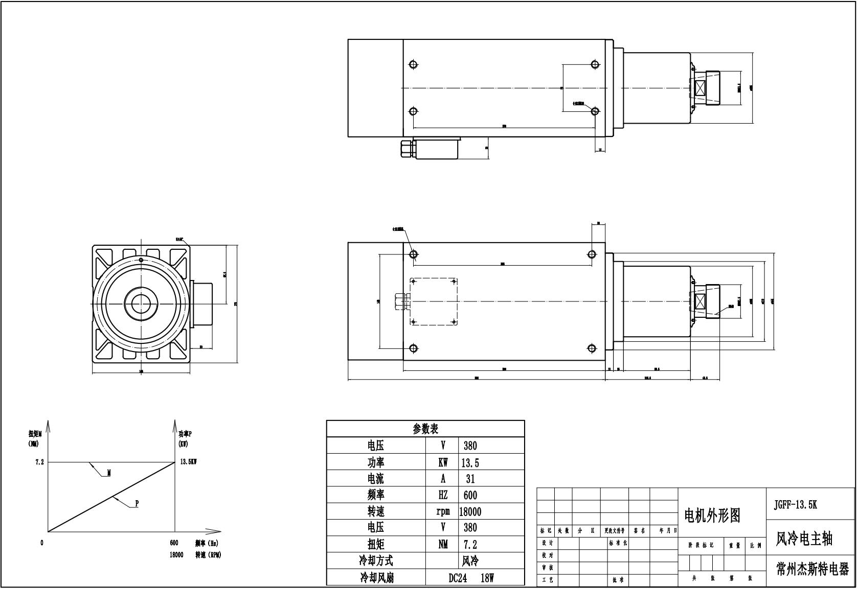
JGF87-18Z/13.5
JST
380V
600HZ
18000RPM
ER40
| Availability: | |
|---|---|
| Quantity: | |
Product Description
This 13.5kw air-cooled MTC spindle motor is designed for high-load and long-time CNC machining applications.
Equipped with an independent cooling fan, it delivers superior heat dissipation compared with conventional air-cooled spindles, ensuring stable performance, longer service life, and reduced maintenance.
With high speed, strong torque (7.2Nm), and ER40 collet system, this spindle is ideal for woodworking, aluminum processing, engraving, and industrial CNC routers.
More efficient heat dissipation than standard air-cooled spindles
Stable temperature during long working hours
Reduced risk of overheating and bearing damage
Ideal for workshops where water cooling is not convenient
High-quality ceramic ball bearings ensure long life and high-speed stability
Reduced vibration and quieter operation
Optimized for high-temperature and high-speed environments
Lubricated with grease, which is resistant to 200 degrees high temperature
High precision dynamic balancing for smooth rotation (<0.005mm)
Excellent overload resistance and fast acceleration
Durable sealing and two-layer dustproof design for extended motor life
| Specification | Details |
|---|---|
| Model | JGF87-18Z/13.5 |
| Power | 13.5 KW |
| Cooling Method | Air cooling |
| Interface/Collet | ER40 |
| Speed Range | 18,000 RPM |
| Voltage | 380V |
| Frequency | 600Hz |
| Bearings | High Precision / Low Vibration |
| Runout | ≤ 0.005 mm |
| Max torque | 7.2 Nm |
| Net Weight | 38 kg |
| Lubrication | Grease |
| Applications | CNC Routers, CNC machining centers, wood/MDF/light metal processing |

JST-13.5kw ER40 air cooled MTC spindle motor with Independent Cooling Fan.pdf
CNC Router Machines (Wood, MDF, Acrylic)
CNC Machining Centers
Composite Materials Cutting
Light Metal Milling (Aluminum, Copper, etc.)
Multi-station machining equipment
Professional electric spindle manufacturer with years of experience
Stable quality and component traceability
Good quality control and performance testing
Custom ER collets
Custom power, speed, voltage, logo options
OEM solutions for machine builders
Exported worldwide: Europe, America, Asia, Middle East…
Local language sales support
After-sales and technical assistance
3 times longer working life(2 years for 8 hours/day).
10 times precision Runout off less than 0.005mm beyond average spindle motor.
Very easy and fast to assemble.
Electrical Connection: Connect U, V, W phases and protective earth per wiring diagram.
Cooling: convenient air-cooled design, it's crucial to set the inverter/VFD parameters correctly.
Air Supply: Provide regulated clean air (if pneumatic tool change/air seal needed).
(Manufacturer wiring diagram and installation manual should be followed strictly.)
CE certification
EMC certification
LVD certification
quality certification
ROHS certification
UKCA certification
JST Company Outside
JST Workshop
JST Workshop
JST Workshop
JST Equipments
JST Equipments
Packing
Packing
Packing
Packing
Packing
Yes — multiple voltage configurations are available upon request.
Yes, the 13.5kW air-cooled ER40 spindle is capable of both wood routing and light metal (like aluminum) machining.
Yes. A properly matched variable frequency drive (VFD) is required to run the spindle safely and efficiently.
Every spindle motor has one year(12 months) warranty.
Yes welcome warmly. No. 8 Hengcui Road, Henglin Town, Changzhou Economic Development Zone, Jiangsu Province, China.
1.The electric spindle motor and VFD shall be suitable with each other. The specifications and parameter settings of the VFD shall match the nominal parameters of the spindle motor, and it will burn the spindle motor if the settings are not correct. (Therefore, the spindle motor must be connected to VFD at first.)
2.Before using water-cooled spindle motor, it shall ensure that cooling cycle system works normally. Please notice: the running under no cooling conditions is prohibited! The volume of cooling water is calculated as per 1 liter/minute, the minimum flow of cooling water is not less than 5 liter/minute, cooling water pipe and the nozzle shall be connected reliably and there is no leakage.
3.The cooling liquid shall be clean and free of grease and the temperature shall be within 5-30℃. The cooling medium shall carry out force cooling when the ambient temperature is higher than 30℃. The precision lathe requires the cooling liquid with a constant temperature of 20±2℃.
4.Important! The coolant temperature must be within 5℃ of the ambient temperature; ideally, the coolant temperature should be 5℃ lower than the ambient temperature. Otherwise, if the temperature difference is too large, condensation may form inside the electric spindle, leading to spindle damage.
5.If use water cooling machine, its temperature shall be within 22-25℃.
6.During storage and transport of the spindle motor, the status of high-speed grease inside the bearing will change. So, user shall run it at a low speed first by starting from the lowest speed of the spindle motor for 30 minutes and then 20 minutes for every 3000 rounds when they first time receiving spindle motors. Otherwise there will have abnormal sound, noise, heat and other phenomena, which will affect the bearing life if the spindle motor is started directly at a high speed. During long term storage, the spindle motor shall run (at low speed) for 15-30 minutes once a week at least.
7.Before daily machining, the spindle motor shall be warmed up, run for 15-20 minutes when the machining speed is reached and then performs precise machining. It is better to stop the spindle motor for two hours every day in order to recover its mechanical fatigue and prolong its life time.
8.The spindle motor adopts vapor lock and the gas source shall not be used until it has passed oil-water separator and dry filter. The air pressure is 0.2-0.25Mpa and the filtering precision is 5μm, otherwise there will cause damages to the bearing. Therefore, a good oil-water separator is essential.
9.Collet, nut and inner taper hole shall be cleaned when installing blades on the spindle motor in order to avoid any impact on the precision. The blade handle shall be inserted into the collet more than 15mm.
10.No hammering the end cover of the spindle motor. No hammering the collet and blade head when removing blades. No shocking or colliding during transport, storage and using, especially pay attention to the end of the spindle motor.
11.The spindle motor shall run in designated direction. (We will indicate the direction with an arrow.)
12.The spindle motor shall be installed and fixed according to the relevant drawings and instructions.
Spindle motor is also called high-speed electric spindle motor, refers to the revolution of a more than 10000 RPM AC motor. It has the advantages of fast speed, small size, lightweight, low material consumption, low noise, and low vibration, mainly used in wood, aluminum, stone, hardware, glass, PVC, and other industries.
Due to its wide application and meticulous work, fast speed, and excellent processing quality, making another ordinary motor can not meet the technical requirements of the spindle motor. Spindle motor plays an important role in the industrial production process, so it is particularly popular all over the world.
Contact Us
How can we help you?