The JFB41-12Z/1.5/A pre-milling spindle motor is specially engineered for the pre-milling unit of edge banding machines used in panel furniture manufacturing.
With a rated power of 1.5 kW and a speed of 12,000 rpm, this high-performance spindle motor delivers strong torque and stable cutting force, ensuring precise removal of panel surface irregularities before edge banding. It significantly improves bonding quality and final edge finishing results.
Designed for heavy-duty industrial applications, this spindle motor features a robust structure, low vibration performance, and high durability. It is ideal for continuous operation in automatic edge banding production lines.
The JFB41-12Z/1.5/A ensures clean, smooth panel edges before glue application, improving overall edge banding accuracy and long-term furniture quality.
JFB41-12Z/1.5/A
JST
380V/220V
200HZ
12000RPM
Φ20 keys (6×16), M8 left
| Availability: | |
|---|---|
| Quantity: | |
Product Description
The JFB41-12Z/1.5/A pre-milling spindle motor is specially engineered for the pre-milling unit of edge banding machines used in panel furniture manufacturing.
With a rated power of 1.5 kW and a speed of 12,000 rpm, this high-performance spindle motor delivers strong torque and stable cutting force, ensuring precise removal of panel surface irregularities before edge banding. It significantly improves bonding quality and final edge finishing results.
Designed for heavy-duty industrial applications, this spindle motor features a robust structure, low vibration performance, and high durability. It is ideal for continuous operation in automatic edge banding production lines.
The JFB41-12Z/1.5/A ensures clean, smooth panel edges before glue application, improving overall edge banding accuracy and long-term furniture quality.
High-Speed Performance
Rated speed up to 12,000 rpm for precise and smooth edge banding operations.
Stable & Reliable Operation
Optimized motor structure ensures low vibration and stable output during continuous use.
Multiple Edge Banding Functions
Suitable for slotting, pre-milling, trimming, tracking, and fine trimming processes.
Compact Design
Space-saving structure allows easy integration into various edge banding machines.
Long Service Life
High-quality bearings with grease lubrication reduce wear and maintenance frequency.
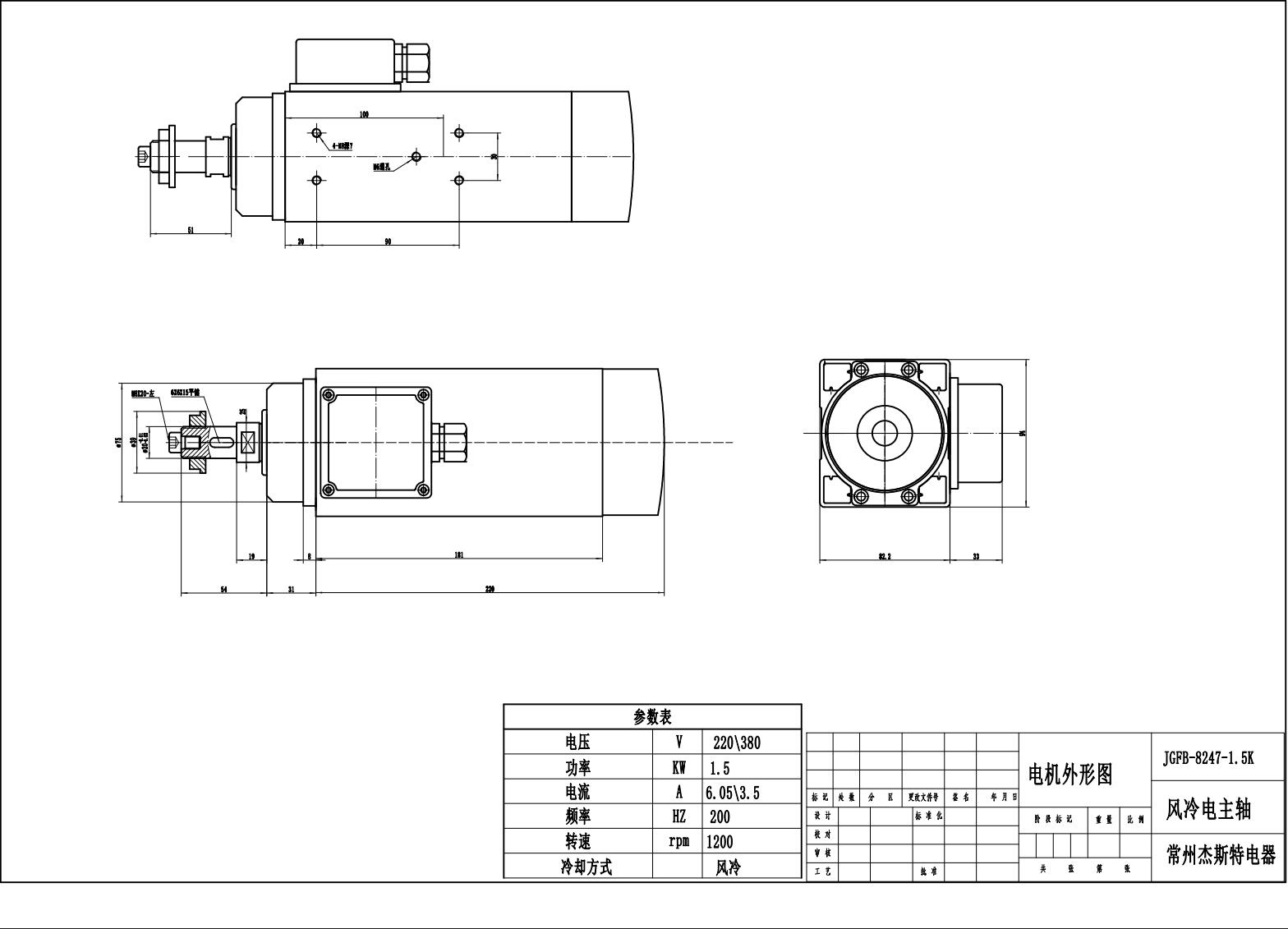
| Specification | Details |
|---|---|
| Model | JFB41-12Z/1.5/A |
| Power | 1.5 KW |
| Cooling Method | Air cooling |
| Shaft End Connection | Φ20 keys (6×16), M8 left |
| Frequency | 200Hz |
| Speed Range | 12,000 RPM |
| Voltage | 380V/220V |
| Current | 3.4A/5.8A |
| Bearings | High Precision / Low Vibration |
| Runout | ≤ 0.015 mm |
| Net Weight | 6.5 kg |
| Lubrication | Grease |

JFB41-12Z-1.5-A High-Speed Motor for Edge Banding Machines Pre-milling.pdf
The JFB41-12Z-1.5/A motor is mainly used in edge banding machines for processing panel furniture.
Its versatility in handling slotting, pre-milling, trimming, and tracking functions (this model is for Pre-milling) makes it an essential component in modern woodworking and furniture manufacturing.
Its precision ensures smooth finishes, making it perfect for high-quality edge banding operations.
Custom power, speed, voltage, logo options
OEM solutions for machine builders
Exported worldwide: Europe, America, Asia, Middle East…
Local language sales support
After-sales and technical assistance
2 times longer working life(2 years for 8 hours/day).
3 times precision Runout off less than 0.015mm beyond average edge bander spindle.
Very easy and fast to assemble.
CE certification
EMC certification
LVD certification
quality certification
ROHS certification
UKCA certification
JST Company Outside
JST Workshop
JST Workshop
JST Workshop
JST Equipments
JST Equipments
Packing
Packing
Packing
Packing
Packing
The JFB41-12Z-1.5/A motor is specially designed for edge banding machines used in panel furniture production.
Yes. This motor features a stable structure, low vibration design, and grease lubrication system, making it ideal for long-term continuous operation in industrial edge banding applications.
Yes — multiple voltage configurations are available upon request.
Yes. A properly matched variable frequency drive (VFD) is required to run the spindle safely and efficiently.
Every spindle motor has one year(12 months) warranty.
Yes welcome warmly. No. 8 Hengcui Road, Henglin Town, Changzhou Economic Development Zone, Jiangsu Province, China.
1.The electric spindle motor and VFD shall be suitable with each other. The specifications and parameter settings of the VFD shall match the nominal parameters of the spindle motor, and it will burn the spindle motor if the settings are not correct. (Therefore, the spindle motor must be connected to VFD at first.)
2.Before using water-cooled spindle motor, it shall ensure that cooling cycle system works normally. Please notice: the running under no cooling conditions is prohibited! The volume of cooling water is calculated as per 1 liter/minute, the minimum flow of cooling water is not less than 5 liter/minute, cooling water pipe and the nozzle shall be connected reliably and there is no leakage.
3.The cooling liquid shall be clean and free of grease and the temperature shall be within 5-30℃. The cooling medium shall carry out force cooling when the ambient temperature is higher than 30℃. The precision lathe requires the cooling liquid with a constant temperature of 20±2℃.
4.Important! The coolant temperature must be within 5℃ of the ambient temperature; ideally, the coolant temperature should be 5℃ lower than the ambient temperature. Otherwise, if the temperature difference is too large, condensation may form inside the electric spindle, leading to spindle damage.
5.If use water cooling machine, its temperature shall be within 22-25℃.
6.During storage and transport of the spindle motor, the status of high-speed grease inside the bearing will change. So, user shall run it at a low speed first by starting from the lowest speed of the spindle motor for 30 minutes and then 20 minutes for every 3000 rounds when they first time receiving spindle motors. Otherwise there will have abnormal sound, noise, heat and other phenomena, which will affect the bearing life if the spindle motor is started directly at a high speed. During long term storage, the spindle motor shall run (at low speed) for 15-30 minutes once a week at least.
7.Before daily machining, the spindle motor shall be warmed up, run for 15-20 minutes when the machining speed is reached and then performs precise machining. It is better to stop the spindle motor for two hours every day in order to recover its mechanical fatigue and prolong its life time.
8.The spindle motor adopts vapor lock and the gas source shall not be used until it has passed oil-water separator and dry filter. The air pressure is 0.2-0.25Mpa and the filtering precision is 5μm, otherwise there will cause damages to the bearing. Therefore, a good oil-water separator is essential.
9.Collet, nut and inner taper hole shall be cleaned when installing blades on the spindle motor in order to avoid any impact on the precision. The blade handle shall be inserted into the collet more than 15mm.
10.No hammering the end cover of the spindle motor. No hammering the collet and blade head when removing blades. No shocking or colliding during transport, storage and using, especially pay attention to the end of the spindle motor.
11.The spindle motor shall run in designated direction. (We will indicate the direction with an arrow.)
12.The spindle motor shall be installed and fixed according to the relevant drawings and instructions.
Spindle motor is also called high-speed electric spindle motor, refers to the revolution of a more than 10000 RPM AC motor. It has the advantages of fast speed, small size, lightweight, low material consumption, low noise, and low vibration, mainly used in wood, aluminum, stone, hardware, glass, PVC, and other industries.
Due to its wide application and meticulous work, fast speed, and excellent processing quality, making another ordinary motor can not meet the technical requirements of the spindle motor. Spindle motor plays an important role in the industrial production process, so it is particularly popular all over the world.
Contact Us
How can we help you?