The JGQ82-18Z/7.5S/A Air-Cooled Multi-Head Motorized Spindle is a high-performance CNC spindle designed for demanding applications like engraving, milling, and drilling in various industries, including woodworking, plastic, rubber, and composite material processing. With a 7.5kW rated power and 18000RPM maximum speed, this spindle provides high cutting efficiency, reliability, and precision.
Thanks to its air-cooling system, the JGQ82-18Z/7.5S/A spindle reduces maintenance costs and eliminates the need for complex water-cooling systems, making it easier to install and operate. Equipped with ceramic ball bearings, this spindle ensures smooth performance, low friction, and an extended operational lifespan, even during continuous high-speed operations.
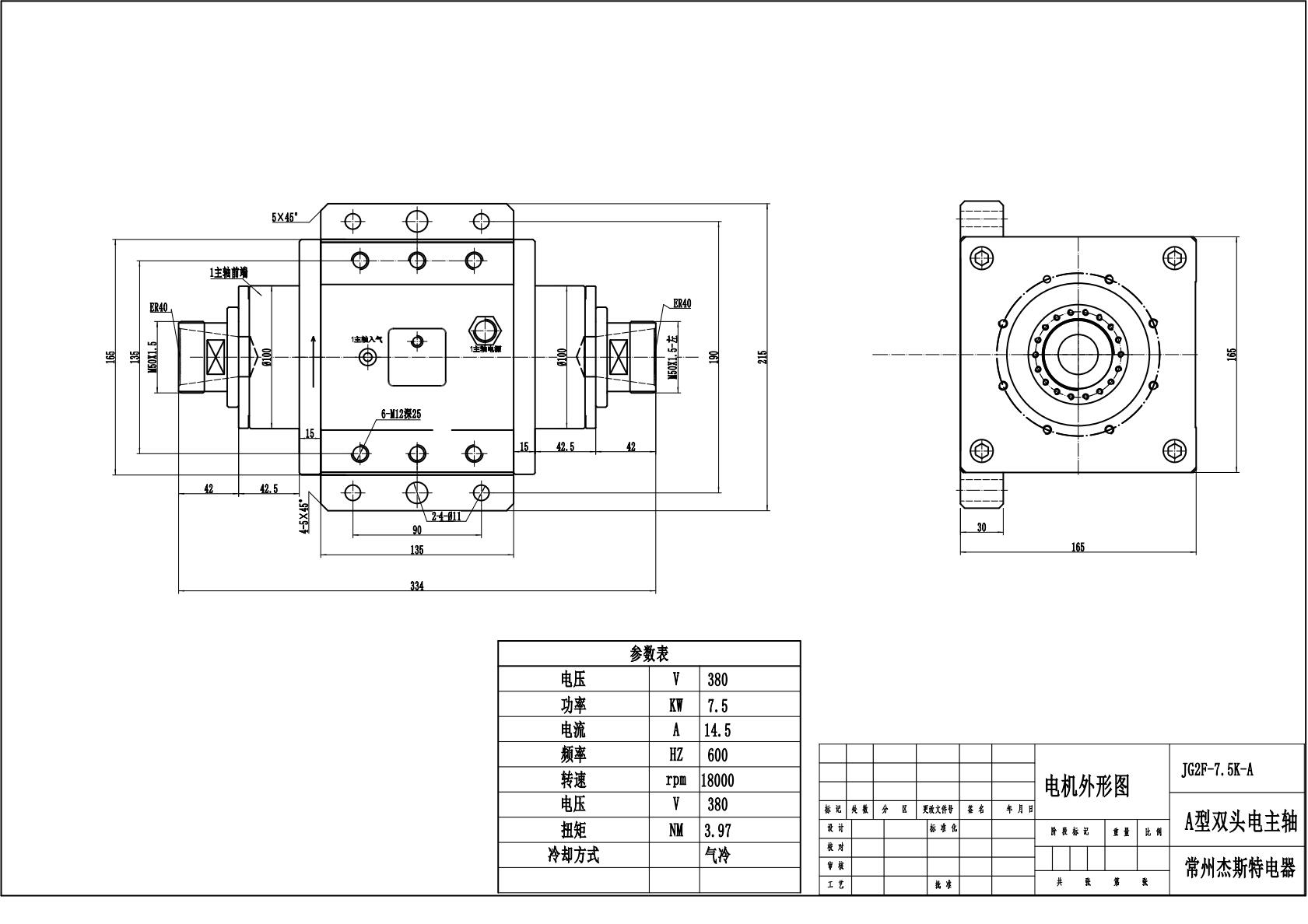
The ER40 collet interface allows for versatility in tooling, supporting a wide variety of cutting tools for different machining needs. The multi-head design further enhances machining efficiency by enabling the use of multiple tools at once, thus improving productivity.
JGQ82-18Z/7.5S/A
JST
380V
600HZ
18000RPM
ER40*2
| Availability: | |
|---|---|
| Quantity: | |
Product Description
The JGQ82-18Z/7.5S/A Air-Cooled Multi-Head Motorized Spindle is a high-performance CNC spindle designed for demanding applications like engraving, milling, and drilling in various industries,
including woodworking, plastic, rubber, and composite material processing. With a 7.5kW rated power and 18000RPM maximum speed, this spindle provides high cutting efficiency, reliability, and precision.
Thanks to its air-cooling system, the JGQ82-18Z/7.5S/A spindle reduces maintenance costs and eliminates the need for complex water-cooling systems, making it easier to install and operate.
Equipped with ceramic ball bearings, this spindle ensures smooth performance, low friction, and an extended operational lifespan, even during continuous high-speed operations.
The ER40 collet interface allows for versatility in tooling, supporting a wide variety of cutting tools for different machining needs.
The multi-head design further enhances machining efficiency by enabling the use of multiple tools at once, thus improving productivity.
High Power Output – 7.5kW motor provides strong and stable cutting performance
High Speed Operation – Maximum speed up to 18,000 RPM for precision machining
Air Cooling Design – No water pump required, easier installation and maintenance
ER40 Collet Interface – Supports a broad range of tooling for flexible machining
Ceramic Ball Bearings – Reduced friction, lower heat generation, longer service life
Multi-Tool Capability – Supports multiple tool configurations to improve productivity
Compact and Robust – Designed to endure rigorous industrial applications
| Specification | Details |
|---|---|
| Model | JGQ82-18Z/7.5S/A |
| Power | 7.5 KW |
| Cooling Method | Air cooling |
| Collet | ER40*2 |
| Frequency | 600 Hz |
| Speed Range | 18000 RPM |
| Voltage | 380V |
| Current | 15.6A |
| Bearings | High Precision / Low Vibration |
| Clamp Plate Runout | ≤0.005 mm |
| Torque | 3.98 Nm |
| Weight | 27 kg |
| Lubrication | Grease |

7.5kW Air-Cooled Multi-Head CNC Spindle Motor JGQ82-18Z-7.5S-A (ER40, 18000RPM).pdf
CE certification
EMC certification
LVD certification
quality certification
ROHS certification
UKCA certification
JST Company Outside
JST Workshop
JST Workshop
JST Workshop
JST Equipments
JST Equipments
Packing
Packing
Packing
Packing
Packing
This JGQ82-18Z/7.5S/A spindle is suitable for a wide range of CNC machining applications, including:
CNC engraving machines
Woodworking CNC routers
Multi-head machining systems
Slot milling and drilling operations
Plastic and five-axis composite material machining
Rubber and soft material processing
Changzhou Jiesite Electrical Co., Ltd. (JST) is a leading manufacturer specializing in motorized CNC spindles for various industrial and commercial applications.
With a focus on reliability and performance, our spindles are designed to meet the demands of precision machining and continuous operation:
Trusted spindle manufacturer with global reach
High-performance and long-lasting spindles
Custom spindle solutions tailored to your needs
Exceptional customer support and after-sales service
1.The electric spindle motor and VFD shall be suitable with each other. The specifications and parameter settings of the VFD shall match the nominal parameters of the spindle motor, and it will burn the spindle motor if the settings are not correct. (Therefore, the spindle motor must be connected to VFD at first.)
2.Before using water-cooled spindle motor, it shall ensure that cooling cycle system works normally. Please notice: the running under no cooling conditions is prohibited! The volume of cooling water is calculated as per 1 liter/minute, the minimum flow of cooling water is not less than 5 liter/minute, cooling water pipe and the nozzle shall be connected reliably and there is no leakage.
3.The cooling liquid shall be clean and free of grease and the temperature shall be within 5-30℃. The cooling medium shall carry out force cooling when the ambient temperature is higher than 30℃. The precision lathe requires the cooling liquid with a constant temperature of 20±2℃.
4.Important! The coolant temperature must be within 5℃ of the ambient temperature; ideally, the coolant temperature should be 5℃ lower than the ambient temperature. Otherwise, if the temperature difference is too large, condensation may form inside the electric spindle, leading to spindle damage.
5.If use water cooling machine, its temperature shall be within 22-25℃.
6.During storage and transport of the spindle motor, the status of high-speed grease inside the bearing will change. So, user shall run it at a low speed first by starting from the lowest speed of the spindle motor for 30 minutes and then 20 minutes for every 3000 rounds when they first time receiving spindle motors. Otherwise there will have abnormal sound, noise, heat and other phenomena, which will affect the bearing life if the spindle motor is started directly at a high speed. During long term storage, the spindle motor shall run (at low speed) for 15-30 minutes once a week at least.
7.Before daily machining, the spindle motor shall be warmed up, run for 15-20 minutes when the machining speed is reached and then performs precise machining. It is better to stop the spindle motor for two hours every day in order to recover its mechanical fatigue and prolong its life time.
8.The spindle motor adopts vapor lock and the gas source shall not be used until it has passed oil-water separator and dry filter. The air pressure is 0.2-0.25Mpa and the filtering precision is 5μm, otherwise there will cause damages to the bearing. Therefore, a good oil-water separator is essential.
9.Collet, nut and inner taper hole shall be cleaned when installing blades on the spindle motor in order to avoid any impact on the precision. The blade handle shall be inserted into the collet more than 15mm.
10.No hammering the end cover of the spindle motor. No hammering the collet and blade head when removing blades. No shocking or colliding during transport, storage and using, especially pay attention to the end of the spindle motor.
11.The spindle motor shall run in designated direction. (We will indicate the direction with an arrow.)
12.The spindle motor shall be installed and fixed according to the relevant drawings and instructions.
Spindle motor is also called high-speed electric spindle motor, refers to the revolution of a more than 10000 RPM AC motor. It has the advantages of fast speed, small size, lightweight, low material consumption, low noise, and low vibration, mainly used in wood, aluminum, stone, hardware, glass, PVC, and other industries.
Due to its wide application and meticulous work, fast speed, and excellent processing quality, making another ordinary motor can not meet the technical requirements of the spindle motor. Spindle motor plays an important role in the industrial production process, so it is particularly popular all over the world.
Contact Us
How can we help you?